What is Thermal Putty and what is it useful for?
Thermal putty is a thermal interface material that has been specially developed to efficiently fill gaps between heat-generating components and heat sinks. Unlike thermal paste or pads, it is a viscoelastic mass that remains flexible and can adapt to irregular surfaces. It is particularly suitable in situations where large or uneven contact surfaces need to transfer heat evenly without the need for high mechanical pressure. Thermal putty plays an important role in a high-performance PC, e.g. on mainboard voltage converters or especially in the cooling of graphics cards. Graphics cards often have components such as VRAM chips or voltage converters that are not mounted at the same height as the GPU itself and are also at different heights. This creates gaps between these components and the heat sink. Thermal Putty can fit into these gaps perfectly and cover everything, regardless of their size or shape, thus ensuring even heat dissipation.
A major advantage of Thermal Putty is that it generally does not exert excessive mechanical stress on sensitive components. Thermal putty, on the other hand, requires less contact pressure as it spreads extremely well even at low pressure due to its consistency. A common problem when using thermal pads in graphics cards is the variability of the pad thickness, as some cards use up to three different pad thicknesses and qualities, whereas thermal putty is one-size. If thermal pads do not have the optimum thickness, they either cannot exert enough pressure to ensure efficient heat transfer, or they are compressed too much, which can impair their performance, or the pressure then has an unfavorable effect on the components.
Putty database v1.0.1
We have incorporated the extensive feedback from the beta phase and are now finally putting the first final version of the database online. Operation has been greatly simplified once again and clarity has been improved. For the navigation and the evaluation of the results, I will provide a brief explanation of the most frequently asked questions. There are only three ranges to choose from, which prioritize a specific application, as the thermal conductivities of the individual pastes differ greatly between the respective layer thicknesses. Depending on the selected range, an average value is therefore calculated from the actual, effective thermal conductivity and used for subsequent sorting. However, all pastes are always displayed immediately, but sorted differently and adapted to the range.
| Preselection by layer thickness | |
| Memory | Suitability on the memory modules with rather thin layers from 250 µm to approx. 1000 µm (1 mm). Effective thermal conductivity (λeff in W/m·K) averaged over this range. The delta is also evaluated as the measured temperature difference between the hot and cold surfaces on average for this range. |
| VRM | Suitability on the voltage regulators and coils as well as for larger gaps with rather thick layers of 1000 µm to approx. 1500 µm. Effective thermal conductivity (λeff in W/m·K) averaged over this range. The simulated surface temperature of the hot surface, i.e. the surface to be cooled, is also evaluated. In contrast to the storage tank, this is an absolute value and not a delta. |
| Help for the search result |
|
| Stickyness |
The traffic light rating from 1 to 3 is based on consistency, because the stickier and thinner a putty is, the more difficult it is to apply correctly. Green stands for normal to rather dry, yellow for somewhat sticky and orange for too liquid and sticky. This value has no influence on the sorting, but is a usability statement in the table. |
| Sticky |
Sticks the desired puty and remembers it on all displayed pages. This allows you to compare a putty from page 1 with one on page 5, for example. |
| Selection field |
If two fields are selected, a 1:1 comparison of these two putties is possible |
| Name |
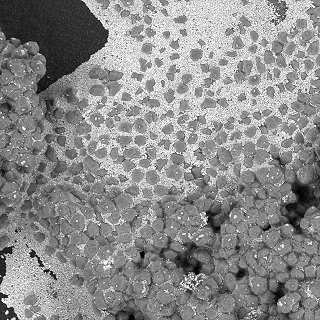
Click on the manufacturer or the name of the putty to open the detailed individual test, including material analysis (ingredients) and microscopy (particle sizes) |
This database is constantly being expanded and new products added. It is therefore always worth visiting again.
Test setup, measurement methods and basics
Our database is based on real laboratory values, which we have elaborately determined according to industry standards. However, many of these results contradict the manufacturers’ marketing claims and ruthlessly expose contradictions and lies, but they are all well-founded, reproducible and legally sound. These measurements not only reflect the general performance values of the pastes, but also enable an assessment of the suitability for a specific area of application (layer thicknesses, surfaces) as well as the suitability taking into account the individual capabilities of the respective user. In addition, the material analysis including digital microscopy is suitable for making your own assessment of the contents and possible durability of a putty, even if I cannot and do not want to accept any liability for this.
You are welcome to leave suggestions and comments in the forum, via PN or e-mail. If you would also like to contribute to the project and send me samples of thermal paste that have not yet been entered in the database, please contact me by e-mail. The e-mail address can be found in the imprint. Of course, this also applies to the manufacturers whose products we would like to test, regardless of which continent the product comes from. The scope of the database is de facto unlimited and as the methods and equipment are always the same, it can be expanded over the years and still remain comparable.
That is the advantage over measurements on CPUs or GPUs and changing environmental conditions. And that is why I will continue to test and add new pastes and publish individual tests for interesting products. My very special thanks also go to my colleagues at Berlin-based Nanotest GmbH and Keyence for their technical advice and support to ensure that such a major investment pays off in the end.



































141 Antworten
Kommentar
Lade neue Kommentare
Veteran
Mitglied
Veteran
Urgestein
1
Veteran
1
Neuling
1
Neuling
Mitglied
Mitglied
Urgestein
Mitglied
Mitglied
Veteran
Veteran
Urgestein
Mitglied
Alle Kommentare lesen unter igor´sLAB Community →